€ 0,34
€ 0,28
€ 1,11
€ 0,92
Glassteun 40x35x20 mm AISI304 systeem 42,4 satijn
product unavailable
toevoegen aan verlanglijst
Beschrijving
Glassteun Pinox 40×35×20 mm – AISI 304 staal, satijn, systeem 42,4
Glassteun Pinox van roestvrij staal AISI 304 met satijnen afwerking — solide montageelement voor stabiele bevestiging van glazen panelen in binnenbalustrades. Ontworpen voor het vlakke systeem 42,4, zorgt voor betrouwbare ondersteuning van glas en juiste positionering op trappen, mezzanines, galerijen en in residentiële en commerciële gebouwen.

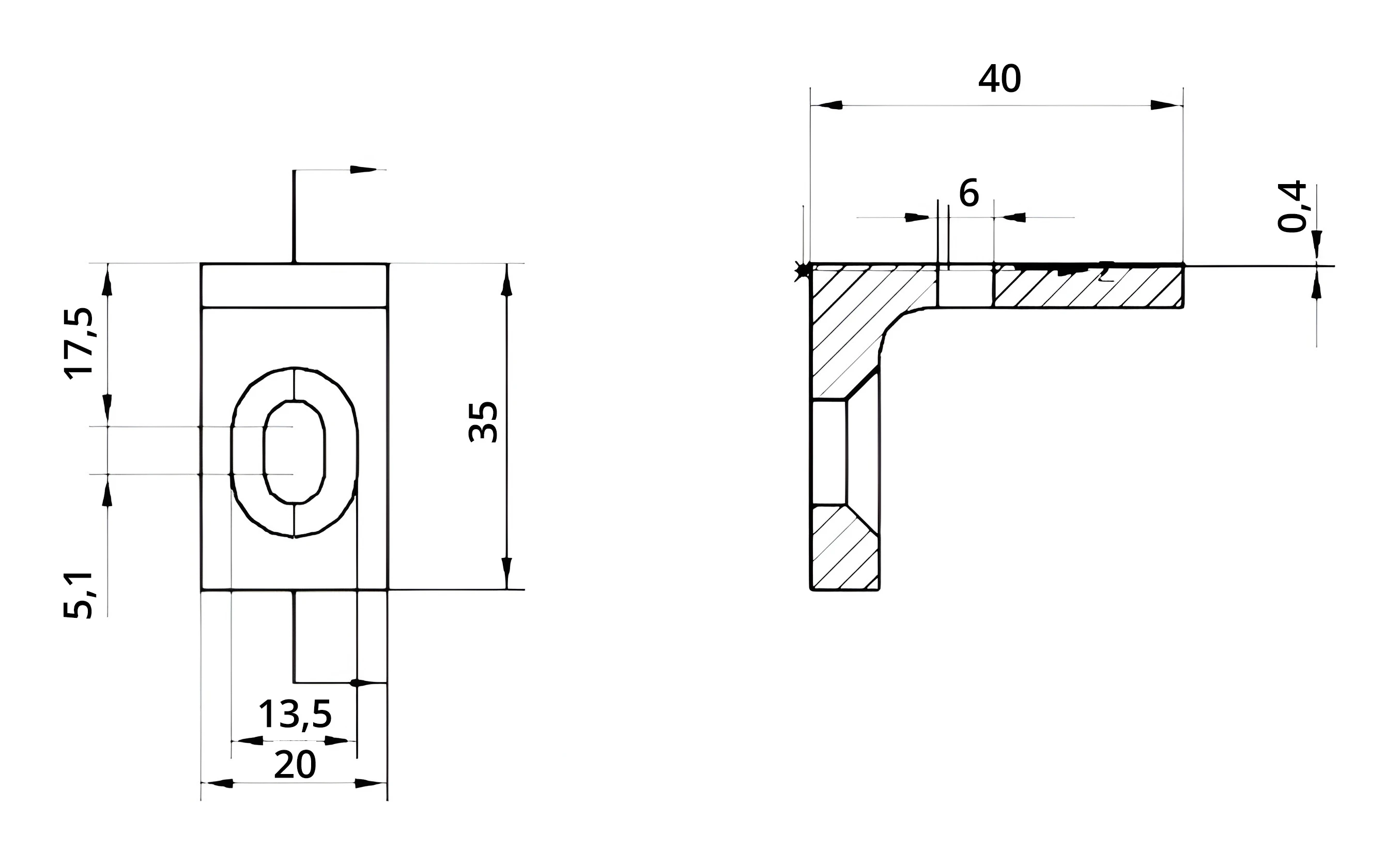
Het L-vormige profiel van de steun maakt stabele plaatsing van het glazen paneel mogelijk, en de rubberen onderlegger (EPDM) op de bovenste arm beschermt het glasoppervlak tegen krassen en zorgt voor gelijkmatige drukverdeling. Montage gebeurt via een langgat in het verticale deel, wat positieaanpassing tijdens installatie mogelijk maakt. Het glas wordt vastgezet met een bevestigingsschroef met M6 / M8 schroefdraad (schroef niet inbegrepen) die door het gat in de bovenste arm wordt gedraaid.
Duurzaamheid en esthetiek van AISI 304 roestvrij staal
AISI 304 roestvrij staal zorgt voor hoge corrosiebestendigheid, mechanische schade en vochtinwerking — de steun behoudt zijn gebruikseigenschappen jarenlang, zelfs bij intensief dagelijks gebruik. De satijnen afwerking geeft het element een moderne uitstraling die perfect samengaat met glas en andere balustradecomponenten, terwijl het effectief kleine krassen en vingerafdrukken maskeert.




Afmetingen en technische gegevens
- Diepte (L): 40 mm
- Totale hoogte (H): 35 mm
- Breedte: 20 mm
- As van langgat vanaf bovenkant: 17,5 mm
- Lengte langgat: 5,1 mm
- Diameter montagegat: 10 mm
- Schroefgat in bovenste arm: 6 mm
- Diepte uitsparing voor pad: 0,4 mm
- Schroefdraad bevestigingsschroef (niet inbegrepen): M6 / M8
- Materiaal: roestvrij staal AISI 304
- Afwerking: satijn
- Systeem: vlak 42,4
- Gewicht: 0,05 kg
- Volume: 56,7 cm³
- EAN: 5903313208871
Glassteun Pinox is een bewezen oplossing voor installatiebedrijven die glazen balustradeprojecten realiseren — combineert duurzaamheid van roestvrij staal, precisie uitvoering en esthetiek van satijnen afwerking in één compact element dat klaar is voor directe montage.
Technische gegevens
| Materiaal | AISI 304 |
| Afwerking | Satijn |
| Montagesysteem | 42,4 mm |
Veiligheid
Alle beoordelingen (positief en negatief) worden weergegeven, volgens de beperking van het aantal platformen. Wij controleren of ze afkomstig zijn van klanten die het product hebben gekocht. Zie meer op onze pagina commentaarbeleid.